Как оформить замену какого-либо агрегата ТС на аналогичный или похожий (от другой марки или модели)?
Главным государственным инспекторам безопасности дорожного движения субъектов Российской ФедерацииПри этом указанные работы не могут быть квалифицированы в соответствии с п. 2 Правил регистрации, утвержденных приказом МВД России № 59-2003, как изготовление транспортных средств из составных частей конструкций, предметов дополнительного оборудования, запасных частей и принадлежностейЕсли после внесенных изменений в конструкцию транспортное средство соответствует одному из сертифицированных в установленном порядке типов, такие работы могут быть выполнены без получения заключения о возможности и порядке внесения заявленных изменений.
Видео «Установка выключателя массы на автомобиль своими руками»
В этом видео демонстрируется, как самостоятельно установить ВМА на ВАЗ (автор ролика — Дедовский Метод).
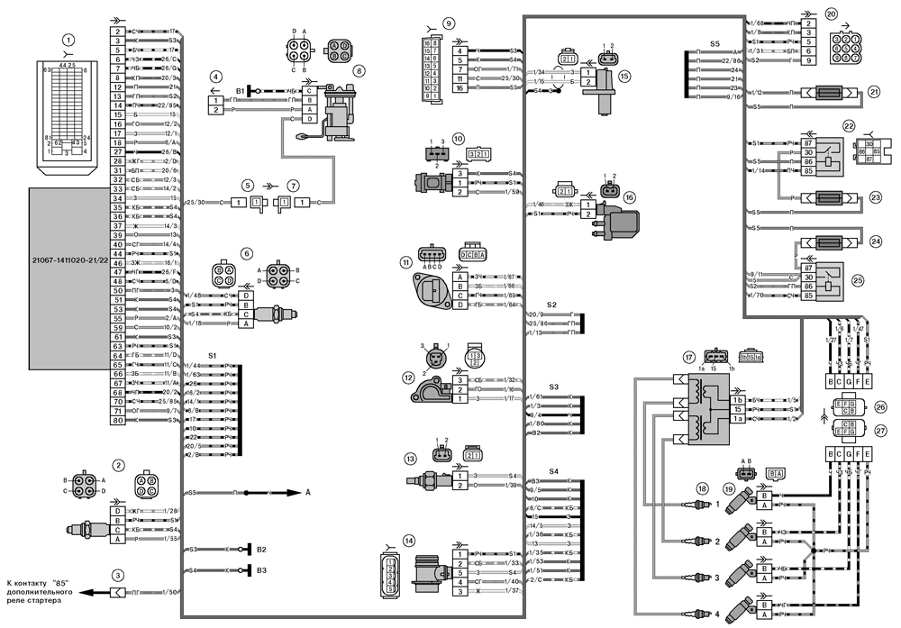
Принципиальные электросхемы, подключение устройств и распиновка разъёмов
Автомобиль ВАЗ-2107 выпускался с 1982 по 2014 год. Здесь приводятся цветные схемы проводки (на инжектор и карбюратор) с описанием всех элементов для различных модификаций. Информация предназначена для самостоятельного ремонта авто. Электрические схемы разделены для удобства просмотра через компьютер или телефон на несколько блоков, также имеются схемы в виде единой картинки с описанием каждого элемента — для распечатки на принтере.
В «семёрках», как и в большинстве современных машин, применена однопроводная схема подачи электричества к электрооборудованию. Другой вывод потребителя всегда соединяется с «массой» машины, к которой подключена отрицательная клемма аккумуляторной батареи. Такое решение позволяет не только упростить конструкцию бортовой сети, но и замедлить коррозию.
Тонировка фар и задних фонарей ВАЗ 2107
Еще один распространенный тюнинг фар ВАЗ 2107 своими руками – тонировка. К ней прибегают при модернизации как задних фонарей, так и передних фар. Необходимо тщательно подходить к выбору способа затемнения фар – качество освещения дороги является определяющим критерием безопасности при ночной езде.
Важно: прежде чем тонировать фары, следует учесть, что тонированные фары могут являться основанием для наложения административного штрафа. Также надо понимать, что любая тонировка снижает яркость фар, делая ночное движение более опасным
Чтобы тонировка минимально отразилась на качестве головного света автомобиля, тонировать поверхность стекла стоит лишь частично. Такое решение безопасно и вполне эффектно: суженные фары делают внешний вид более стильным. Частичная тонировка также может помочь избежать штрафа – затеняется не вся фара, а небольшой сектор.
Для тонировки фар необходимо использовать только высококачественную пленку. Порядок работ таков:
- снять блок-фары ВАЗ 2107;
- вынуть стекло;
- вымыть и обезжирить поверхность;
- приклеить пленку.
Частично затонировать фары можно без их снятия и разборки – просто вымыть стекло и наклеить полоску пленки. Но такой способ не обеспечивает надлежащего качества, а идеально аккуратно обрезать и наклеить пленку без снятия блок-фары практически невозможно.
При тонировке задних фонарей следует установить в них более яркие лампы, чтобы стоп-сигналы и габаритные огни были хорошо видны другим участникам движения. Для поклейки пленки задние фонари также лучше предварительно снять с автомобиля.
На данном видео представлен другой автомобиль,но принцип тонировки тот же
Обратите внимание на технологические нюансы
Хороший выключатель снабжается предохранителями и служит для обесточивания аккумулятора автомобиля. Именно это обстоятельство является дополнительной проблемой для потенциальных угонщиков. Если вы решили приобрести выключатель массы, следите, чтобы он был новым. Не стоит пользоваться бывшим в употреблении! В таком состоянии ВМ легко нанесёт вред электросистеме машины.
Когда проводится обесточивание аккумулятора, существует большая вероятность отключения автомобильного компьютера. Это, в свою очередь, грозит сбоями, такими как стирание из памяти информации, необходимой для полноценной работы. Как предотвратить подобное развитие событий, какой источник энергии купить и каким образом его подсоединить – эти вопросы следует обсудить с профессионалами.
Читать дальше: Бортовой компьютер сузуки гранд витара
ОБЗОР МОДЕЛИ ВАЗ-21074 ИНЖЕКТОР
Начало серийного выпуска автомобилей ВАЗ-21074 датировано 1982 годом, когда с конвейера Волжского автозавода сошли первые экземпляры этой модели. На тот момент машина была оборудована карбюраторной системой питания: инжектор на ВАЗ-21074 появился лишь в 2006 году. Преимущества инжекторного способа подачи топлива уже ни для кого не являются откровением, и после того, как эта система была реализована на ВАЗ-21074:
- двигатель начал лучше заводиться в условиях отрицательных температур, не требуя длительного прогрева;
- на холостых оборотах мотор стал работать более плавно и тихо;
- уменьшился расход топлива.

Инжекторная версия ВАЗ-21074 пришла на смену карбюраторной в 2006 году
К недостаткам ВАЗ-21074 следует отнести:
- низкое расположение катализатора выхлопной трубы, что увеличивает риск повреждения этой недешёвой детали;
- труднодоступность некторых деталей и датчиков, которая явилась следствием того, что кузов старого типа не был рассчитан на инжекторную систему — в карбюраторной версии места под капотом гораздо больше;
- низкий уровень шумоизоляции, что снижает степень комфортабельности автомобиля.
Наличие компьютерного блока управления позволяет своевременно реагировать на возникновение неисправностей, т. к. сигнал о поломке сразу подаётся на панель приборов. Используемая в ВАЗ-21074 схема управления работой двигателя и его систем позволяет контролировать состав топливной смеси, включать и выключать топливный насос с помощью электроники, осуществлять непрерывный контроль всех узлов и механизмов.

Схема управления ВАЗ-21074 позволяет своевременно реагировать на неисправности систем и механизмов
В состав схемы управления входят:
- Колодка диагностики мотора;
- Тахометр;
- Лампа контроля неисправностей системы управления;
- Датчик дроссельной заслонки;
- Дроссельная заслонка;
- Вентилятор радиатора охлаждения;
- Реле вентилятора;
- Блок управления;
- Катушка зажигания;
- Датчик скорости;
- Сеча зажигания;
- Датчик температуры;
- Датчик коленвала;
- Реле бензонасоса;
- Топливный бак;
- Бензонасос;
- Клапан перепускной;
- Клапан предохранительный;
- Клапан гравитацинный;
- Топливный фильтр;
- Клапан продувки адсорбера;
- Труба приёмная;
- Кислородный датчик;
- Аккумулятор;
- Замок зажигания;
- Главное реле;
- Форсунка;
- Регулятор давления топлива;
- Регулятор холостого хода;
- Воздушный фильтр;
- Датчик расхода воздуха.
Табличку с идентификационными данными автомобиля ВАЗ-21074 можно найти на нижней полке коробки воздухоприёмника, которая расположена под капотом у лобового стекла, ближе к пассажирскому сидению. Рядом с табличкой (1) выбит VIN (2) — идентификационный номер машины.

Табличку с идентификационными данными автомобиля ВАЗ-21074 можно найти на нижней полке коробки воздухоприёмника
Паспортные данные на табличке представляют собой:
- Номер для запчастей;
- Завод-изготовитель;
- Указание соответствия и номер одобрения типа ТС;
- Идентификационный номер;
- Модель силового агрегата;
- Максимально допустимое усилие на переднюю ось;
- Предельно допустимая нагрузка на заднюю ось;
- Версия исполнения и комплектация;
- Максимальный разрешённый вес транспортного средства;
- Максимальный разрешённый вес с прицепом.
Буквенно-цифровые символы на номере VIN означают:
- первые три цифры — код завода-производителя (в соответствии с международными стандартами);
- следующие 6 цифр — модель ВАЗ;
- латинская буква (или цифра) — год выпуска модели;
- последние 7 цифр — номер кузова.
Номер VIN можно увидеть также в багажнике на соединителе арки левого заднего колеса.

Номер VIN можно увидеть также в багажнике на соединителе арки левого заднего колеса
Где находится номер двигателя
Каждая модель транспортного средства, выпущенная на заводе, оснащается мотором с личным номером. Так, номер двигателя на «семёрке» — это его идентификационный номер, по которому можно установить принадлежность украденного автомобиля и его историю.
Номер двигателя выбивается на блоке цилиндров с левой стороны, сразу же под трамблёром. К тому же номер дублируется и в сводной таблице, которая крепится снизу от корпуса воздухопритока. На металлической пластинке выбиваются такие данные об авто, как модель, номер кузова, модель и номер двигательного агрегата, комплектация и т. п.
Функции приборной панели ВАЗ-2107
Приборная панель ВАЗ-2107, или торпеда является средством отображения информации о функциональности транспортного средства. Она в первую очередь должна обеспечить хороший обзор всех датчиков измерительных приборов для водителя. При этом ее устройство должно быть простым в управлении.
Приборная панель отображает следующую информацию:
- состояние всех действующих систем ВАЗ-2107, особенно тех, что призваны обеспечивать безопасность движения – тормозной, автосигнальной, пассивной безопасности;
- цифровые показатели характеристик движения автомобиля – скорости, двигателя и т. д.;
- правильность использования транспортного средства в целом (охватывая эксплуатацию двигателя, ходовой части, трансмиссии, электрооборудования);
- другие нужные сведения (например, часы показывают время).
Задние фары на ВАЗ 2107
LADA 2107 является одним из самых популярных автомобилей классической серии. Модель ВАЗ 2107 выпускалась разными заводами в нашей стране и за рубежом в течение 30 лет, начиная с 1982 года. Машина позиционировалась на рынке как люксовая версия пятерки, в конструкцию которой были внесены определенные изменения. В частности, фары задние имели иной вид, а в салоне были сделаны текстильные вставки и установлены кресла с интегрированными подголовниками.

Автомобиль ВАЗ 2107 выгодно отличался от других машин данной серии, его светотехника, установленная на корме, была значительно более информативной, нежели у других моделей. В России и странах ближнего зарубежья таких машин еще довольно много и часто они становятся объектом тюнинга. Штатные фары задние меняются на более подходящие к новому имиджу модели.
Делаем своими руками
Чтобы отключить массу от автомобильного аккумулятора, можно поступить предельно просто, подняв капот и открутив соответствующие клеммы. Но если в салоне будет находиться кнопка, через которую осуществляется отключение, с ней работать намного удобнее. Подобное решение можно сделать своими руками.

Если не планируется использовать заводской выключатель, можно сделать его своими руками. Вполне подойдёт простая схема, в которой отсутствуют механические контакты. Это повышает надёжность конструкции. Плюс такая система станет прекрасным дополнением к вашей охранной системе, если такая предусмотрена.
Для сборки размыкателя потребуется кнопка типа S1, которая будет установлена в салоне, диод и тринистор.
Тринистром называют тиристор, который имеет 3 электрических вывода. Это управляющий электрод, катод и анод.
- Тринистор будет применяться в роли электрореле, срабатывание которого происходит при появлении импульса на управляющем электроде.
- В скрытом месте, которое выбирает сам автомобилист, устанавливается кнопка управления. При замыкании контактов на кнопке будет возникать импульс.
- Поступая на тринистор, импульс способствует отпиранию, сопротивление резко меняется в сторону уменьшения, по сети проходит ток высокого напряжения.
- Тринистор позволяет току проходить только в направлении от аккумулятора до бортовой электросети.
- Чтобы АКБ могла подзаряжаться от генератора, параллельно с тринистром подключается диод.
- Крепление детали осуществляется с использованием уголка на основе дюрали.
- На одной полке делаются отверстия для крепления полупроводников.
- На второй нужно просверлить отверстия под крепежный элемент, который будет использоваться для крепления устройства к кузову.
- В качестве проводки применяется монтажный многожильный провод.
Объединив всё в единую схему, при нажатии на кнопку, спрятанную в салоне, можно будет размыкать массу, тем самым перекрывать ток от АКБ к потребителям.
Двигатель автомобиля ВАЗ 2107
Двигатель является сердцем любого автомобиля. Не зря в переводе с латыни слово «автомобиль» означает «самодвижущийся». Именно силовой агрегат отличает любой велосипед от автомобиля. Двигатели семейства ВАЗ классики, к которым принадлежит и ВАЗ 2107, для своего времени являлись передовыми в своём классе – довольно малошумными, экономичными, неприхотливыми. Вес силового агрегата и вес автомобиля 10% и 90%, что неплохо для развития тяги. Поговорим подробнее о двигателе.
Все двигатели семейства классики, в том числе ВАЗ 2107 являются бензиновыми, четырёхтактными. У всех агрегатов четыре цилиндра, четыре поршня, которые расположены в ряд, установлен карбюратор. Агрегат восьмиклапанный, по два клапана на каждый цилиндр. Распределительный вал (или механизм ГРМ, газораспределения) расположен сверху. Вверху же и находится подача смеси топлива и воздуха, которую подаёт карбюратор.
Изначально на ВАЗ 2107 ставился карбюратор, «шестёрочный» движок, ВАЗ 2106, его объём 1,6 л. В дальнейшем мы будем иметь в виду именно этот карбюраторный движок.
Можно установить также двигатель 21067, его объём 1,6 л. Масса этих двух разновидностей движков практически одинакова
Кроме этого стандарта, на старые модели ВАЗ 2107 устанавливались силовые агрегаты 2103 и 2104, на другой размер цилиндров, который составлял не 79 мм, а 76. Соответственно, мощность двигателей была несколько меньше.
Во всех силовых агрегатах порядок работы цилиндров 1-3-4-2.
Силовой агрегат, разрез во фронтальной плоскости
Мощность агрегатов, устанавливаемых на ВАЗ 2107, и больше всего у ВАЗ 2106 и составляет 54,8 кВт, или 74,5 л.с. Существует прямая зависимость: чем больше объём цилиндра, тем выше мощность двигателя. Карбюратор прибавляет больше надёжности двигателю, по сравнению с инжекторным, при отказе двигателя, возможности дать «прикурить» и др.
Вес двигателя в сборе составляет около 120 кг, поэтому не рекомендуется пытаться снять силовой агрегат, не имея электротали или крана-балки под рукой.
Устройство двигателя следующее:
- Блок цилиндров — высокопрочное чугунное литьё. В нём расположены 4 высокоточных полости – цилиндры в один ряд. На рисунке показана схема блока цилиндров и ходы охлаждающей жидкости в нём. Его масса велика, это самая тяжёлая часть силового агрегата.
- Коленвал также выполнен из литого чугуна высокой прочности, он покоится на пяти опорах, называемых шейками. Масса коленчатого вала велика, так же велика и точность его обработки, его шейки закалены токами высокой частоты. На рисунке показаны схема, устройство и основные допуски при производстве коленчатого вала.
- Шатуны – выполнены из высокопрочной кованой стали, так как он испытывает большие нагрузки. Их 4 штуки, по одному на каждый цилиндр. В шатун запрессовывается поршневой палец. Так как шатуны нельзя заменить один на другой, они маркированы в соответствии с цилиндрами. На рисунке показаны устройство и основные размеры поршня (справа) и шатунов (слева) и их схема предельных допусков в мм.
- Поршни — отливаются из лёгких алюминиевых сплавов, с покрытием оловом наружных поверхностей. Эта технология позволяет улучшить приработку поршня к стенке цилиндра. На поршни устанавливаются по три кольца, два из которых — называются компрессионными, и одно маслосъемное.
- Головка блока цилиндров – выполнена из легкого алюминиевого сплава, её масса сравнительно небольшая, и между ней и блоком цилиндров находится специальная прокладка, не подверженная усадке. На рисунке изображено устройство головки БЦ и клапаны.
- Распределительный вал со звёздочкой и клапанный механизм вместе с цепью представляют собой механизм газораспределения. Цепной привод работает вместе с натяжителем и успокоителем цепи.
- Маховик находится у заднего полюса коленвала. Маховик имеет зубчатый венец из чугуна, который входит в зацепление со стартером, чтобы выполнить пуск двигателя. Чтобы увеличить мощность двигателя, можно снизить вес маховика, поставив облегчённый вариант.
- Принципиальная схема агрегата включает в себя многие другие, например схема смазки двигателя тоже будет представлена, например, таким образом:
На этой схеме, чтобы не вдаваться в подробности, можно увидеть специальные каналы и полости в литых деталях, так называемые смазочные ходы и полости для циркуляции охлаждающей жидкости в блоке цилиндров.
Нужно отметить, что мощность агрегата не может быть максимальной и близкой к ней на протяжении долгого времени, без адекватной системы охлаждения и смазки.
В заключение стоит отметить, что если вы выбираете, карбюратор выбрать или инжектор, то можно сказать, что первый вариант более прост и надёжен в ремонте, зато второй более современный и экономичный.
Разновидности
Существует несколько вариантов используемых выключателей массы.
Они бывают:
- тиристорными;
- ручными;
- дистанционными электромеханическими (на основе реле).
Ручные девайсы в основном используются на грузовиках и спецтехнике. Такие системы могут работать в условиях больших токов, составляющих до 1000 А. Их же успешно применяют и на легковых авто.
Самыми удобными размыкателями считаются те, которые располагаются на аккумуляторных клеммах и предназначаются специально для легковых машин. Дистанционный тип размыкателя можно ставить на грузовики и легковые модели. Управление осуществляется из салона, используя специальную потайную кнопку.
Ещё для легковых машин неплохо подходят мощные тиристоры на 160-320 А. Управление также бывает скрытым. Но не всегда тиристоры выдерживают большие токи при запуске ДВС.
Разновидности
Существует несколько вариантов используемых выключателей массы.
Они бывают:
- тиристорными;
- ручными;
- дистанционными электромеханическими (на основе реле).
Ручные девайсы в основном используются на грузовиках и спецтехнике. Такие системы могут работать в условиях больших токов, составляющих до 1000 А. Их же успешно применяют и на легковых авто.
Самыми удобными размыкателями считаются те, которые располагаются на аккумуляторных клеммах и предназначаются специально для легковых машин. Дистанционный тип размыкателя можно ставить на грузовики и легковые модели. Управление осуществляется из салона, используя специальную потайную кнопку.
Ещё для легковых машин неплохо подходят мощные тиристоры на 160-320 А. Управление также бывает скрытым. Но не всегда тиристоры выдерживают большие токи при запуске ДВС.
Замена штатных часов ВАЗ 2107 на цифровые
Штатные часы недостаточно информативны, да и выглядят слишком стандартно. Поэтому многие владельцы “семерки” меняют их на более продвинутые модели. Обычно это — электронные часы с функцией вольтметра. Такой прибор не только выглядит более современно и привлекательно, но и позволяет контролировать напряжение бортовой сети. Установить электронные часы на ВАЗ 2107 просто. На рынке можно найти широкий ассортимент электронных часов для “семерки” с различным цветом табло и функционалом.
Неплохой вариант — часы с функцией будильника, календаря, вольтметра и термометра. Самая продвинутая модель имеет два датчика температуры — внутренний и наружный, что позволяет контролировать сразу два температурных параметра.
Такие часы идеально становятся на место штатных, а для их подключения не требуется прокладка дополнительных цепей питания. Единственное о чем следует позаботиться — установить внешний датчик температуры и провести провод от него к месту установки часов.
Если в электронных часах отсутствует функция измерения внешней температуры, их установка полностью аналогична монтажу штатных часов и не требует дополнительных действий.
Главная изюминка автомобилей отечественного автопрома — это установка часов в салоне автомобилей, начиная с модели ВАЗ 2103. Этот немаловажный элемент настолько полюбился автовладельцам, что при возникновении их неисправности, сразу возникает вопрос, как починить часы на ВАЗ 2107. Чтобы отремонтировать этот девайс, понадобится изначально разобраться в причинах, по которым возникают неисправности.

Схема электропроводки автомобиля

1 – мотор привода вентилятора радиатора; 2 – блок реле и предохранителей (монтажный блок); датчик холостого хода; 4 – блок управления двигателем; 5 – потенциометр; 6 – комплект свечей зажигания; 7 – блок управления зажиганием; 8 – электронный датчик коленвала; 9 – электрический топливный насос; 10 – тахометр 2107; 11 – лампа контроля исправности электронных систем; 12 – реле управления системы зажигания; 13 – датчик значения скорости; 14 – диагностический разъем; 15 – комплект форсунок; 16 – электроклапан адсорбера; 17, 18, 19 – блок предохранителей, защищающих цепи системы впрыска; 21 – электронное реле управления топливным насосом; 22 – электронное реле управления системой подогрева впускной трубы; 23 – система подогрева впускной трубы; 24 – плавкий предохранитель, защищающий цепь подогревателя; 25 – электронный датчик уровня кислорода; 26 – датчик контроля температуры системы охлаждения; 27 – электронный датчик воздушной заслонки; 28 – температурный датчик воздуха; 29 – датчик контроля давления.
«Светодиодный» тюнинг фар ВАЗ 2107 своими руками
Для «семерки» можно легко найти, купить и установить нестандартные блок-фары или отдельные осветительные элементы. Самое дешевое решение – установка светодиодов вместо стандартных ламп или в дополнение к ним. Это позволяет преобразить внешний вид автомобиля при минимуме затрат.
Тюнинг задних фонарей ВАЗ 2107 также часто производится посредством смены лампового освещения на светодиодное.

Для тюнинга светодиодами понадобятся:
- резисторы;
- панель или короб для монтажа осветительных элементов (светодиодов);
- дрель;
- сверло;
- герметик;
- провода;
- светодиоды.
Короб или панель необходимо подогнать под размер фары и насверлить установочные отверстия под светодиоды. В зависимости от количества и параметров используемых светодиодов, для обеспечения необходимого сопротивления цепи в нее последовательно включают резисторы. Номинал резисторов подбирается индивидуально. Герметик используется для крепления светодиодов в отверстиях.
Важно: при подключении светодиодов необходимо учитывать полярность. Кроме оригинального внешнего вида, тюнинг светодиодами имеет другие преимущества:
Кроме оригинального внешнего вида, тюнинг светодиодами имеет другие преимущества:
- низкая мощность и, как следствие, небольшая нагрузка на бортовую сеть;
- долговечность и надежность;
- рассеянный свет, не ослепляющий других участников движения.
Если позволяет бюджет, можно произвести тюнинг фар ВАЗ 2107, заменив штатные блоки на готовые тюнингованные изделия. Преимущество такого решения: прекрасный дизайн и отличное качество при минимальных затратах времени.
Технические характеристики ВАЗ-2107 инжектор
Последней версией «Жигулей» в классическом исполнении оказалась ВАЗ-21074, ставшая впоследствии одной из наиболее востребованных советских, а затем и российских машин. ВАЗ-21074 инжектор был встречен многочисленными почитателями «седьмой» модели с нескрываемым энтузиазмом, и, по большому счёту, автомобиль в целом оправдал ожидания автолюбителей. На момент выпуска автомобиль считался самым быстрым заднеприводным седаном из выпущеных ранее Волжским автозаводом моделей. В 2006 году с целью соблюдения условий экологической безопасности и улучшения технических параметров на ВАЗ-21074 стали устанавливать инжекторный двигатель.
Характеристика автомобиля 2107
ГабаритыДлина: 4145 ммШирина: 1620 ммВысота: 1435 ммКолесная база: 2424Колея передняя: 1365Колея задняя: 1321Клиренс: 170 ммОбъем багажника максимальный: 325 лСнаряженная масса автомобиля: 1060 кгДопустимая полная масса: 1460 кгДиаметр разворота: 9.9 м
Версии моторов карбюраторного типа имеют маркировку 2103 и 2106. Основные неисправности связаны с плавающими оборотами мотора, троением и перегревом. Благодаря простой конструкции ремонт силового агрегата достаточно легкий.
Инжекторные варианты двигателя ВАЗ 2107 считаются более современными. В ВАЗ 2107 воздушно-топливная смесь в цилиндрах получается благодаря системе раздельного впрыска. В инжекторе 4 форсунки, которые управляются микроконтроллером. Поступление топлива регулируется в зависимости от различных параметров состояния автомобиля.
КПД инжекторного двигателя ВАЗ 2107 выше, чем карбюраторного. Двигатель устойчив к холостому ходу и редко глохнет при старте с места благодаря продуманной электронике. Мотор обладает низким шумом благодаря автоматической регулировке натяжения цепи.
Схема управления двигателем ваз 2107 евро 3
Схема электрических соединений ЭСУД ЕВРО-3 М 73 LADA 21054, 21074 с двигателями 21067

2- датчик кислорода диагностический;
3- колодка жгута системы зажигания к жгуту правого брызговика;
4- колодка жгута системы зажигания к жгуту панели приборов(указатель уровня топлива);
5- колодка жгута питпние (+) к электробензонасосу
6- датчик кислорода управляющий;
7- колодка жгута питания (+)электробензонасоса
9- колодка диагностики;
10- датчик скорости;
11- регулятор холостого хода;
12- датчик положения дроссельной заслонки;
13- датчик температуры охлаждающей жидкости;
14- датчик массового расхода воздуха;
15- датчик положения коленчатого вала;
16- электромагнитный клапан продувки адсорбера;
17- катушка зажигания;
18- свечи зажигания;
20- колодка жгута системы зажигания к жгуту панели приборов;
21- предохранитель цепи питания контроллера;
22- реле зажигания;
23- предохранитель реле зажигания;
24- предохранитель цепи питания электробензонасоса;
25- реле электробензонасоса;
26- колодка жгута системы зажигания к жгуту форсунок;
27- колодка жгута форсунок к жгуту системы зажигания;
А- к клемме «плюс» аккумуляторной батареи; В1 — точка заземления жгута датчика уровня топлива; В2,В3 — точка заземления жгута системы зажигания;
Источник
1.9. Замена лампочек
| ОБЩИЕ СВЕДЕНИЯ |
Лампочки ближнего и дальнего света
Лампочки ближнего и дальнего света, а также габаритных огней доступны со стороны моторного отсека.
| ПОРЯДОК ВЫПОЛНЕНИЯ |
| 1. Снять кожух с задней части фары, поворачивая его против часовой стрелки. | |
| 3. Снять пружину крепления лампочки (А). | |
| 4. Повернуть держатель лампочки против часовой стрелки и извлечь его из фары. | |
| 5. Заменить лампочку. | |
| 6. Вставить держатель лампочки в гнездо фары и зафиксировать его поворотом до упора вправо. | |
| 7. Установить пружину крепления и разъем проводов. | |
| 8. Проверить правильность функционирования лампочки. | |
| 9. Закрепить кожух на задней части фары. | |
| Предупреждение |
Нельзя дотрагиваться пальцами до стеклянной части лампочек, в особенности галогенных. В противном случае перед установкой лампочки в гнезде ее следует промыть спиртовым раствором.
| ПОРЯДОК ВЫПОЛНЕНИЯ |
| 1. Снять кожух с задней части фары. |
| 2. Извлечь держатель лампочки (под держателем лампочки ближнего и дальнего света). |
| 3. Заменить лампочку. |
| 4. Вставить держатель в гнездо. |
| 5. Убедиться в том, что патрон лампочки хорошо закреплен. |
| 6. Проверить установку и функционирование лампочки. |
| 7. Закрепить кожух на задней части фары. |
Лампочки фар дальнего света
Некоторые версии автомобилей оснащены фарами дальнего света с галогенными лампочками.
| ПОРЯДОК ВЫПОЛНЕНИЯ |
| 2. Сжать пружину (В) крепления лампочки и отодвинуть ее. Извлечь лампочку (С). | ||
| 3. Отсоединить разъем проводов. | ||
| 4. Соединить новую лампочку с разъемом электрических проводов и вставить ее в фару. | ||
| 5. Установить пружину крепления лампочки. | ||
| 6. Установить крышку и скобу крепления. |
Передние указатели поворотов
| ПОРЯДОК ВЫПОЛНЕНИЯ |
| 2. Достать из бампера лампочку переднего указателя поворота вперед; в версии Ghia лампочка переднего указателя поворота придерживается рычагом, расположенным под верхним креплением бампера, который следует отодвинуть наружу для извлечения лампочки. | ||
| 3. Повернуть держатель лампочки переднего указателя поворота влево и извлечь его. | ||
| 4. Нажать на лампочку, повернуть ее влево и извлечь. | ||
| 5. Установить в держателе новую лампочку, поворачивая ее вправо, а затем закрепить указатель поворота, выполняя вышеописанные действия в обратной последовательности. |
Лампочки заднего фонаря расположены в узле держателя, доступном изнутри багажника.
| ПОРЯДОК ВЫПОЛНЕНИЯ |
| АВТОМОБИЛИ С КУЗОВОМ ТИПА БЕРЛИН И СЕДАН | ||
| 2. В каждом узле держателя расположены четыре лампочки: лампочка сигнала торможения (1), лампочка заднего хода (2), лампочка габаритного огня и заднего противотуманного фонаря (3) и лампочка заднего указателя поворота (4). | ||
| 3. Нажать на лампочку, которая должна быть заменена, повернуть ее и извлечь из узла держателя. | ||
| 4. Установить новую лампочку в узле держателя, повернуть ее, а затем нажать на узел держателя до блокирования стопора крепления. | ||
| АВТОМОБИЛИ С КУЗОВОМ ТИПА КОМБИ | ||
| 1. Открыв багажник с помощью отвертки повернуть стопор крепления и снять кожух заднего фонаря. | ||
| 2. Отодвинуть пластины крепления узла держателя (А) и извлечь его. В каждом узле держателя расположены пять лампочек: лампочка заднего хода (1), лампочка габаритного заднего огня (2), лампочка заднего указателя поворота (3), лампочка заднего противотуманного фонаря (4), лампочка сигнализации торможения (5). | ||
| 3. Нажать на лампочку, которая должна быть заменена, повернуть ее и извлечь из узла держателя. | ||
| 4. Установить новую лампочку в узле держателя, повернуть ее, а затем закрепить узел держателя. |
Освещение номерного знака
| ПОРЯДОК ВЫПОЛНЕНИЯ |
1
При помощи тонкой отвертки осторожно извлечь узел лампы освещения номерного знака из гнезда в заднем бампере. 2
Повернуть влево и извлечь держатель лампочки
2. Повернуть влево и извлечь держатель лампочки.
3
Заменить лампочку, которая вдавливается в держатель.
4. Установить держатель и закрепить узел лампы освещения номерного знака в заднем бампере.
Освещение багажника В некоторых версиях оснащения кузова типа берлина и Седан присутствует лампочка освещения багажника.
Габаритные огни являются одними из важнейших световых приборов автомобиля. Нерабочие в темное время суток габаритные огни – почти неизбежное ДТП. В этой статье мы выясним, почему могут не гореть задние габариты в ВАЗ 2107, а также попробуем устранить неисправность самостоятельно.

















































